Οι χωρητικοί πομποί διαφορικής πίεσης είναι απαραίτητες συσκευές στη σύγχρονη βιομηχανική οργάνωση και τον αυτοματισμό διεργασιών . Χρησιμοποιούν προηγμένη τεχνολογία χωρητικής ανίχνευσης για τη μέτρηση διαφορικής, μετρητικής και απόλυτης πίεσης με υψηλή ακρίβεια και μακροπρόθεσμη σταθερότητα. Σε αντίθεση με τους παραδοσιακούς μηχανικούς αισθητήρες πίεσης, αυτοί οι πομποί δεν διαθέτουν κινούμενους μηχανισμούς μετάδοσης , γεγονός που τους καθιστά συμπαγείς, ανθεκτικούς και εξαιρετικά ανθεκτικούς στους κραδασμούς. Οι ανεξάρτητες ρυθμίσεις μηδενικής και εύρους εξασφαλίζουν ακρίβεια χωρίς αμοιβαία παρεμβολή, συμβάλλοντας στην ευρεία χρήση τους σε όλες τις βιομηχανίες.

Στην Κίνα, πολλές πόλεις έχουν εισαγάγει γραμμές παραγωγής από την αμερικανική εταιρεία Rosemount , η οποία παράγει διάφορα μοντέλα για διαφορική πίεση , μετρητική πίεση και μέτρηση απόλυτης πίεσης . Ορισμένες μονάδες περιλαμβάνουν επίσης εξαγωγή τετραγωνικής ρίζας για μέτρηση ροής , μαζί με εκδόσεις που έχουν σχεδιαστεί για εφαρμογές υψηλής στατικής πίεσης και μικροδιαφορικής πίεσης .
Ένας χωρητικός πομπός διαφορικής πίεσης αποτελείται συνήθως από δύο κύριες μονάδες: ένα τμήμα μέτρησης και ένα τμήμα μετατροπής/ενίσχυσης , όπως φαίνεται στο Σχήμα 1 .

Σχήμα 1: Διάγραμμα κυκλώματος χωρητικού πομπού διαφορικής πίεσης
1—Ταλακτήρας 2—Χωρητικός αισθητήρας 3—Αποδιαμορφωτής 4—Ρύθμιση εύρους 5—Περιοριστής ρεύματος
6—Ενισχυτής ισχύος 7—Ενισχυτής λειτουργίας 8—Ρύθμιση μηδενός και μηδενική μετατόπιση
9—Ενισχυτής ελέγχου ταλάντωσης 10—Πηγή τάσης αναφοράς 11—Ρυθμιστής τάσης 12—Προστασία αντιστροφής πολικότητας
Ο χωρητικός αισθητήρας μετατρέπει τη μετρούμενη διαφορική πίεση (ΔP) σε μια αλλαγή στην χωρητικότητα. Οι πυκνωτές υψηλής και χαμηλής διαφορικής πίεσης, C₂H και C₂L , διεγείρονται από έναν ταλαντωτή υψηλής συχνότητας . Οι προκύπτουσες διακυμάνσεις ρεύματος αποδιαμορφώνονται για να παράγουν διαφορικά σήματα ( i₂L - i₂H ) και σήματα κοινής λειτουργίας ( i₂L + i₂H ).
Το διαφορικό σήμα συγκρίνεται με το σήμα ανάδρασης ( I f ), στη συνέχεια ενισχύεται και μετατρέπεται σε έξοδο DC 4-20mA . Αυτό το ρεύμα εξόδου ρέει μέσω του δικτύου αντίστασης φορτίου και ανάδρασης, διατηρώντας μια γραμμική σχέση μεταξύ του διαφορικού σήματος και του ρεύματος εξόδου.
Ο χωρητικός αισθητήρας αποτελείται από μια σταθερή πλάκα ηλεκτροδίου και ένα κινητό διάφραγμα μέτρησης, που σχηματίζουν δύο πυκνωτές ( C₂H και C₂L ) συνδεδεμένους στους θαλάμους υψηλής και χαμηλής πίεσης. Όταν εφαρμόζεται διαφορική πίεση, το διάφραγμα εκτρέπεται, αλλάζοντας τις χωρητικότητες. Ο ταλαντωτής υψηλής συχνότητας (συνήθως 32 kHz) μετατρέπει αυτές τις αλλαγές χωρητικότητας σε διακυμάνσεις ρεύματος, οι οποίες ενισχύονται και διορθώνονται για να παράγουν ένα σήμα συνεχούς ρεύματος 4-20 mA ανάλογο με την εφαρμοζόμενη διαφορική πίεση ΔP.
Όταν ο πομπός χρησιμοποιείται για μέτρηση ροής — όπως με πλάκες οπών, σωλήνες βεντούρι ή ακροφύσια — το σήμα διέρχεται μέσω ενός εξαγωγέα τετραγωνικής ρίζας για να επιτευχθεί μια γραμμική σχέση με τον ρυθμό ροής. Η συσκευή λειτουργεί σε ένα σύστημα δύο καλωδίων 24 V DC , υποστηρίζοντας τάσεις τροφοδοσίας από 12–45 V DC και αντιστάσεις φορτίου έως 600 Ω .
Ο χωρητικός αισθητήρας διαφορικής πίεσης δύο θαλάμων φαίνεται στο Σχήμα 2 .

Σχήμα 2: Η δομή δύο θαλάμων του χωρητικού αισθητήρα διαφορικής πίεσης
1, 4—Διάφραγμα απομόνωσης με κυματοειδές μοτίβο· 2, 3—Βάση από ανοξείδωτο χάλυβα· 5—Στρώμα γυαλιού· 6—Μεταλλική μεμβράνη· 7—Διάφραγμα μέτρησης
Σε αυτή τη δομή, οι μεταλλικές μεμβράνες (6) λειτουργούν ως σταθερά ηλεκτρόδια, ενώ το διάφραγμα μέτρησης (7) χρησιμεύει ως κινούμενο ηλεκτρόδιο. Και οι δύο πλευρές του διαφράγματος σχηματίζουν δύο ξεχωριστούς θαλάμους γεμάτους με λάδι σιλικόνης . Το ασυμπίεστο ρευστό μεταδίδει τη διαφορική πίεση Δp = p_H − p_L στις επιφάνειες του διαφράγματος.
Όταν Δp = 0, οι χωρητικότητες και στις δύο πλευρές ( C₂H και C₂L ) είναι ίσες. Όταν Δp ≠ 0, το διάφραγμα εκτρέπεται προς την πλευρά χαμηλής πίεσης, με αποτέλεσμα C₂L > C₂H .
Η χρήση διαφορικής χωρητικότητας μειώνει τα σφάλματα που προκαλούνται από τις διακυμάνσεις της θερμοκρασίας στη διηλεκτρική σταθερά, βελτιώνοντας έτσι την ευαισθησία, την ακρίβεια και τη γραμμικότητα — σημαντικούς παράγοντες στον έλεγχο των βιομηχανικών διεργασιών και τη μέτρηση της πίεσης .
Όταν Δp ≠ 0, η μεταβολή της χωρητικότητας απεικονίζεται στο Σχήμα 3 .

Σχήμα 3: Αλλαγές χωρητικότητας και στις δύο πλευρές όταν υπάρχει διαφορική πίεση
Εξισώσεις: 

Για ένα διάφραγμα με αρχική τάση, η παραμόρφωση είναι ανάλογη με τη διαφορική πίεση: 
Εδώ, το K₁ είναι μια δομική σταθερά που εξαρτάται από την καμπυλότητα του διαφράγματος, την απόσταση των ηλεκτροδίων και τη μηχανική τάση. Αυτή η σχέση διασφαλίζει ότι το ρεύμα εξόδου είναι άμεσα ανάλογο με την εφαρμοζόμενη διαφορική πίεση , παρέχοντας εξαιρετική ακρίβεια μέτρησης.
Ο χωρητικός αισθητήρας πίεσης μετατρέπει τη διαφορική πίεση σε αναλογική μεταβολή της χωρητικότητας. Η μέτρηση αυτής της χωρητικότητας απαιτεί διέγερση AC υψηλής συχνότητας , συνήθως περίπου 32 kHz .

Σχήμα 4: Κύκλωμα ταλαντωτή Σχήμα 5: Τροφοδοτικό ταλαντωτή
Κύκλωμα ταλαντωτή (Σχήμα 4)
Το κύκλωμα περιλαμβάνει περιελίξεις (ακροδέκτες 6, 8 και 5, 7) και πυκνωτή C₂₀ που σχηματίζουν έναν βρόχο συντονισμού συνδεδεμένο με ένα τρανζίστορ VT₁. Η αντίσταση πόλωσης R₂₉ ορίζει το στατικό σημείο λειτουργίας. Η συχνότητα καθορίζεται από την επαγωγή L και την χωρητικότητα C.
Τροφοδοτικό ταλαντωτή (Σχήμα 5)
Δεδομένου ότι η μέτρηση της χωρητικότητας βασίζεται στην τάση AC, η τάση του ταλαντωτή πρέπει να παραμένει σταθερή . Ένας βρόχος ελέγχου αρνητικής ανάδρασης σταθεροποιεί αυτόματα την τάση, εξασφαλίζοντας παράλληλα επαρκές πλάτος εκκίνησης.

Όπως φαίνεται στο Σχήμα 6 , το χωρητικό κύκλωμα παραγωγής ρεύματος και το δίκτυο σχηματισμού τάσης διατηρούν σταθερή διέγερση.

Σχήμα 6: Κύκλωμα παραγωγής χωρητικού ρεύματος και κύκλωμα σχηματισμού τάσης U₂
Όταν Δp ≠ 0, το C_H μειώνεται και το C_L αυξάνεται, και το συνολικό ρεύμα που διαρρέει και τα δύο εκφράζεται ως:

Η αυτόματη ανάδραση διασφαλίζει ότι I L + I H = K₂ (μια σταθερά), διατηρώντας τη σταθερότητα της τάσης και τη σταθερή ευαισθησία.
Στο κύκλωμα παραγωγής χωρητικού ρεύματος: ![]()
![]()
![]()
Αντικατάσταση προηγούμενων σχέσεων: 
Συνολικό ρεύμα εξόδου: ![]()
Έτσι, το σήμα εξόδου 4-20 mA του χωρητικού μεταδότη διαφορικής πίεσης είναι άμεσα ανάλογο με την εφαρμοζόμενη διαφορική πίεση.
Η συσκευή παρέχει επίσης ρύθμιση μηδενός , βαθμονόμηση εύρους και προστασία αντίστροφης πολικότητας , εξασφαλίζοντας σταθερή και ασφαλή λειτουργία σε βιομηχανικά συστήματα μέτρησης πίεσης .
Οι πομποί πίεσης σειράς SH που παράγονται από την silverinstrumens.com είναι ευρέως χρησιμοποιούμενοι πομποί πίεσης δύο καλωδίων 4-20 mA , σχεδιασμένοι για εγγενώς ασφαλή και ανθεκτικά σε εκρήξεις περιβάλλοντα .
Βασικές προδιαγραφές

Σχήμα 7: Σχέση μεταξύ τάσης τροφοδοσίας και αντίστασης φορτίου
Όταν η τάση τροφοδοσίας κυμαίνεται κατά ±1 V, η διακύμανση του ρεύματος εξόδου παραμένει κάτω από 0,005%, εξασφαλίζοντας σταθερότητα σήματος και υψηλή ακρίβεια .
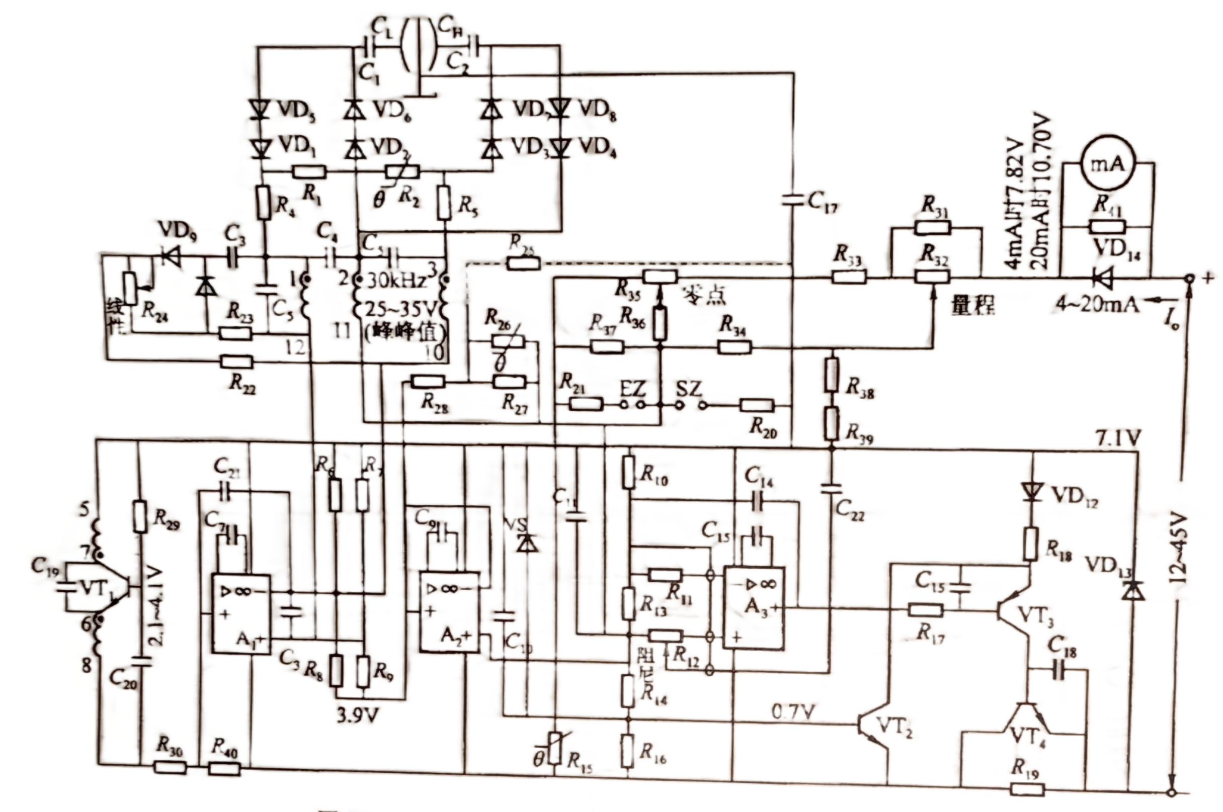
Το συνολικό κύκλωμα του μεταδότη διαφορικής πίεσης SHGP/SHDP φαίνεται στο Σχήμα 8

Σχήμα 8: Σχεδίαση κυκλώματος του μοντέλου της σειράς SH Χωρητικού Πομπού Πίεσης/DP
Βασικά Στοιχεία και Λειτουργίες:
Αυτά τα στοιχεία εξασφαλίζουν ακριβή και σταθερή απόδοση σε διάφορες βιομηχανικές συνθήκες, καθιστώντας τη σειρά SHGP/SHDP έναν από τους πιο αξιόπιστους χωρητικούς πομπούς διαφορικής πίεσης για έλεγχο διεργασιών και όργανα παγκοσμίως.
Πομποί χαμηλής πίεσης
2025/10/12
Πομπός χαμηλής πίεσης: 16-60 mbar. Υψηλή ακρίβεια: ±0,1~0,5% Πρωτόκολλο Hart, έξοδος 4-20 mA. Ψηφιακή οθόνη mbar,psi,pa.
VIEW
Κεραμικός αισθητήρας πίεσης
2025/10/12
Κεραμικός χωρητικός αισθητήρας πίεσης. Αισθητήρας που ξεπλένεται και είναι ανθεκτικός στην τριβή. Έξοδος αισθητήρα πίεσης 4-20mA. Για τη βιομηχανία χαρτοπολτού και χαρτιού.
VIEW
Αισθητήρας χωρητικής πίεσης 3351
2025/10/12
Ο χωρητικός αισθητήρας πίεσης είναι όλες συγκολλημένες κατασκευές με υλικό από ανοξείδωτο χάλυβα. Αυτό το είδος αισθητήρα πίεσης είναι να αισθανθείτε την πίεση ή τη διαφορική πίεση μέσω της πλήρωσης λ...
VIEW
Πομπός πίεσης πυριτίου SH 308 Series
2025/10/12
Γενικές πληροφορίες του SH 308 Series Diffusive Silicon Pressure TransmitterSH 308 series Diffusive silicon pressure transmitter επιλέγουν εισαγόμενα πιστοποιημένα εξαρτήματα αισθητήρα πίεσης πυριτίου...
VIEW
SHDP / GP DP / Πομπός πίεσης με στεγανοποιήσεις απομακρυσμένου διαφράγματος
2025/10/12
Ο πομπός διαφορικής πίεσης / πίεσης SHDP / GP με απομακρυσμένες σφραγίδες διαφράγματος παρέχει ένα είδος αξιόπιστου τρόπου μέτρησης για να αποφευχθεί η άμεση επαφή του μετρούμενου μέσου με διάφραγμα σ...
VIEW
Πομπός στάθμης τύπου SHLT
2025/10/12
Ο πομπός τύπου φλάντζας SHLT (έξυπνος) μπορεί να πραγματοποιήσει ακριβή μέτρηση στάθμης και πυκνότητα για όλα τα είδη δοχείων. Διατίθεται φλάντζα και εκτεταμένη φλάντζα, φλάντζα 3 "ή 4", 1501b ή 3001b...
VIEW